无线充线圈驱动MOS管N+P

当前位置:首页 > 新闻中心 > MOS-FAQ > mos管为什么能通过大电流

N
ews

MOS-FAQ

联系诺芯盛科技
联系方式: 林生:185-2081-8530

Q Q:88650341

邮箱:lin@icgan.com

MOS-FAQ

mos管为什么能通过大电流的秘密!

发布时间:2024-08-18编辑:pdmos浏览:0

        在电子技术领域,MOS管(金属氧化物半导体场效应管)是一种非常常见的开关元件。它以其高效率、低导通损耗和开关速度快等优点,被广泛应用于各种电子设备中。然而,很多人可能会好奇,为什么mos管能够承受如此大的电流呢?本文将从mos管的工作原理和结构等方面,为大家解答这个问题。

一、MOS管的工作原理

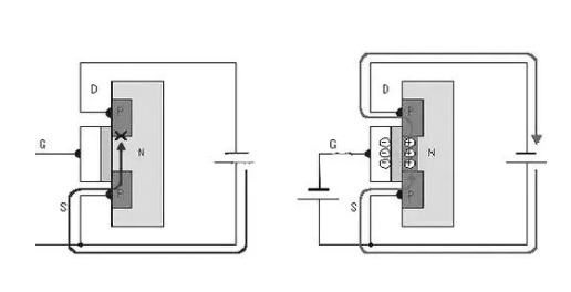
        MOS管的工作原理是通过栅极电压控制漏源电流,实现对负载的开关控制。当栅极电压为正时,源极与漏极之间的绝缘层会发生击穿,形成一个可导电的通道;当栅极电压为负时,通道会被关闭,实现对负载的开关控制。这种工作原理使得MOS管具有很高的输入阻抗和低的导通电阻,因此可以承受较大的电流。


MOS管的工作原理展示图


二、MOS管的结构

1. PN结:MOS管有两个电极,分别是P型半导体和N型半导体。这两个电极之间有一个PN结,用于实现漏源电流的控制。

2. 栅极:MOS管的栅极是一个金属电极,通常采用铝或金等导电性能好的材料制成。栅极的主要作用是调节漏源电压,从而控制漏源电流。

3. 源极和漏极:MOS管的源极和漏极为P型半导体和N型半导体构成的电极。当栅极电压施加在栅极端时,源极和漏极之间的PN结会形成一个可导电的通道,使得漏源电流得以流动。

4. 内部结构:MOS管内部通常包含两个区域,分别是沟道区和发射区。沟道区主要用于存储电流,发射区则负责控制漏源电流。通过对沟道区的宽度和发射区的阈值进行调整,可以实现对漏源电流的有效控制。


mos管通过大电流的电路设计原理图


三、MOS管如何承受大电流

1. 高输入阻抗:由于MOS管具有高输入阻抗,当施加在栅极端的电压很小时,漏源电流仍然可以保持在一个较低的水平。这使得MOS管可以在较小的功耗下承受较大的电流。

2. 低导通电阻:MOS管的导通电阻非常低,一般在几毫欧以下。这意味着当MOS管导通时,它的内阻很小,可以忽略不计。因此,在导通状态下,MOS管可以承受很大的电流。

3. 快速开关性能:MOS管具有非常快的开关速度,可以在微秒级别内完成开关操作。这使得MOS管可以在短时间内承受较大的电流变化,满足各种应用场景的需求。


常见的几中mos管封闭示意图


        综上所述,MOS管之所以能够通过大电流,主要是因为其特殊的工作原理、结构以及优良的性能。在未来的电子技术发展中,MOS管将继续发挥其重要作用,为各种电子产品提供高效、稳定的电源管理方案。
本文标签: mos管 电流
分享:
分享到
首页 下载中心 中低压MOS管产品 高压MOS管产品 第三代半导体GaN 第三代半导体SiC 公司简介 在线留言 网站地图 诺芯盛科技-产品目录下载(PDF)
  • 服务热线:185-2081-8530(林生);QQ:88650341
  • E-Mail:lin@icgan.com
  • 公司地址:深圳市龙华区大浪街道华辉路同胜科技大厦A座1007
  • 诺芯盛科技供应各类功率器件,中低压MOS管、高压MOS管,第三代半导体GaN SiC等产品
  • Powered by PDMCU
扫码添加mos管为什么能通过大电流的秘密!_MOS-FAQ_新闻中心_高压mos管厂家微信号码: 二维码扫一扫
[TOP]
在线客服

在线咨询

在线咨询

在线咨询

18520818530
二维码

官方微信扫一扫