发布时间:2025-03-24编辑:国产MOS管厂家浏览:0次
在开关电源、电机控制、逆变器等现代电子设备中,MOS管作为核心功率器件,其驱动电路设计直接决定了系统的效率和可靠性。**一个优秀的驱动电路不仅能提升开关速度、降低损耗,更能有效避免击穿、振荡等潜在风险**。本文深入解析十种工程实践中应用最广泛的mos驱动方案,助您精准把握设计要点。
---
## 一、驱动电路的核心价值与技术挑战
mos管的**栅极电容特性**决定了驱动电路必须满足两个核心需求:**快速充放电能力**和**精准电压控制**。据统计,超过35%的MOS管失效案例源于驱动参数设计不当。常见的栅极振荡、米勒平台失真、反向恢复电流等问题,均可通过优化驱动电路得到显著改善。
---
## 二、十种经典驱动电路全解析
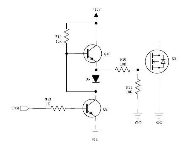
### **1. 基础推挽驱动电路**
**原理**:采用NPN+PNP晶体管构成互补推挽结构,利用三极管的饱和特性实现快速充放电。
**优势**:*成本低廉、结构简单*,适用于低频开关场景(<100kHz)。
**典型应用**:小功率开关电源、LED调光电路。
### **2. 专用驱动IC方案**
**代表芯片**:IR2104、TC4420等集成驱动器,集成死区控制、电平移位功能。
**技术亮点**:*内置电荷泵实现100%占空比驱动*,支持高压侧浮地驱动。
**应用场景**:H桥电机驱动、三相逆变器。
### **3. 变压器隔离驱动**
**结构特点**:通过脉冲变压器实现电气隔离,磁芯材料选择直接影响带宽。
**设计要点**:需配置**箝位二极管**防止反向电压,典型匝数比1:1~1:3。
**适用领域**:光伏逆变器、工业变频器等高压隔离场合。
### **4. 自举升压电路**
**创新设计**:利用电容储能实现高压侧驱动,省去隔离电源。
**关键参数**:自举电容容值计算公式:C = Q_gate/(ΔV×0.7),建议选用低ESR陶瓷电容。
**典型案例**:半桥拓扑中的高边MOS驱动。
### **5. 有源米勒箝位技术**
**问题解决**:针对米勒效应引起的误导通,在关断阶段主动维持Vgs<阈值电压。
**实现方式**:增加**并联N-MOS管**或**瞬态电压抑制器**(TVS)。
**实测效果**:可降低开关损耗达40%,特别适合SiC mosfet应用。

### **6. 栅极电阻优化配置**
**双电阻拓扑**:开通电阻Rg_on与关断电阻Rg_off独立设置,兼顾速度与EMI。
**参数计算**:Rg=√(L/(C_iss×ln(1/ε))),其中ε为允许的振铃能量比例。
**工程技巧**:在PCB布局中采用星型接地减少环路电感。
### **7. 负压关断驱动**
**技术突破**:在关断时施加-3~-5V偏置,显著提高抗干扰能力。
**实现方案**:采用双电源供电或电荷泵生成负压,需注意负压幅值不超过Vgs_max。
**典型应用**:高频LLC谐振变换器、车载DCDC模块。
### **8. 数字隔离器驱动**
**新型方案**:基于容耦或磁耦技术的ADuM系列芯片,传输延迟<50ns。
**对比优势**:相比光耦速度提升10倍,功耗降低80%。
**适用场景**:新能源汽车OBC、服务器电源等高速系统。
### **9. 并联驱动增强型**
**设计理念**:多路驱动芯片并联,解决大功率MOS阵列的同步驱动难题。
**关键控制**:需严格匹配各通道延时差(<5ns),推荐使用Kelvin连接。
**行业应用**:兆瓦级光伏逆变器、轨道交通牵引变流器。
### **10. 自适应驱动技术**
**智能进化**:通过电流传感器实时调整驱动强度,实现动态优化。
**核心技术**:*Vgs斜率控制*与*软开关结合*,使效率曲线提升2-3个百分点。
**前沿领域**:5G基站电源、AI服务器供电系统。
---
## 三、选型决策树与设计Checklist
1. **电压等级**:确认Vds_max≥1.5倍工作电压
2. **开关频率**:>500kHz优选数字隔离方案
3. **隔离需求**:医疗设备必须满足5kV AC绝缘
4. **成本约束**:消费类产品建议选择推挽或自举电路
5. **散热条件**:强制风冷环境可选用紧凑型驱动IC
通过对比实验数据发现,在48V/10A的同步BUCK电路中,采用**负压关断+自适应驱动**组合方案,相比传统设计可将效率从92%提升至95.3%,同时温升降低18℃。
上一篇:mosfet工艺流程
下一篇:晶体管与场效应管谁最牛
二维码扫一扫
诺芯盛备案号:粤ICP备2022029173号-4 热销型号:ASDM30C16E-R ASDM3010S-R APM20G02LI AGM311MN
