发布时间:2025-06-02编辑:国产MOS管厂家浏览:0次
在模拟电路的世界里,MOS管放大电路的小信号分析宛如一座神秘而重要的堡垒,它对于理解电路的细微运作以及优化电路性能有着至关重要的意义。今天,就让我们一同深入探索mos管放大电路小信号的奥秘。
一、MOS管小信号模型的搭建
mos管在工作时,其内部特性较为复杂,但通过小信号模型,我们可以将其简化为一个易于分析的线性网络。这个模型包含了输入电容、输出电阻、转移电导和漏电流等关键参数。可以想象成一个小小的“电路工厂”,输入端和输出端就像工厂的出入口,而中间由电容和电阻组成的网络则是工厂内有条不紊运行的生产线,各部分协同工作,影响着MOS管的放大和反馈特性。
二、共源级单管放大电路——小信号放大的“主力军”
共源级单管放大电路在MOS管放大电路家族中扮演着极为重要的角色,它主要用于实现输入小信号的线性放大,帮助我们获得较高的电压增益。在直流分析时,我们依据输入的直流栅电压,就能确定电路的静态工作点,这就好比为电路找到了一个稳定的“大本营”,让其能有条不紊地开展后续的小信号放大工作。
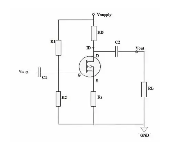
三、基于三电阻的MOS管放大电路计算——理论与实践的交融
当我们深入到基于三电阻的MOS管放大电路计算时,会发现其中涉及到的理论计算均源自模拟电路课本,参考诸如杨老师的新概念等知识体系。这部分内容就像是搭建高楼大厦时的钢筋骨架,虽然理论基础扎实,但实际应用起来还需要我们小心翼翼地“施工”,确保每一个电阻、每一个连接都准确无误,才能让整个电路按照预期稳定运行。

四、MOS管小信号放大的深入探究与改进
在前面学习了MOS管的基本线性放大原理后,我们继续深入其小信号放大领域,并且建立起相应的小信号模型。这就好比我们从远处眺望一座山,先看到了它的大致轮廓(基本线性放大原理),现在则要走近去,仔细探寻山间的每一处沟壑峡谷(小信号放大细节)。
以N - MOS 2N7002晶体管为例,其简单小信号放大电路的信号增益在20 - 40左右。然而,这个电路并非十全十美,它存在一些需要改进的地方。比如,当信号较大时,就会出现失真情况,这主要是因为MOS的跨导之间呈现平方关系,而非理想的线性关系。这就类似于一辆汽车在行驶时,原本期望它匀速平稳前行(线性关系),但实际却时而快时而慢(平方关系导致信号失真),所以我们需要对电路进行改进,让它能更好地服务于我们的应用需求。
五、总结与展望
通过对MOS管放大电路小信号的分析,我们从模型搭建、具体电路类型、计算方法到实际案例的改进,一步步揭开了它的神秘面纱。目前我们所掌握的这些知识,只是探索这片广阔领域的开端,未来还有更多的应用场景等待我们去挖掘,更多的技术难题需要我们去攻克,相信随着技术的不断进步,我们对MOS管放大电路小信号的理解和应用将会更上一层楼。
上一篇:mos管沟道夹断情况分析
下一篇:mos管放大交流信号
二维码扫一扫
诺芯盛备案号:粤ICP备2022029173号-4 热销型号:ASDM30C16E-R ASDM3010S-R APM20G02LI AGM311MN
