MOS管上下管配置影响电路效能,推挽电路中N型上管下管配合高效,需考虑电压、时序及开关损耗,高端驱动需电荷泵,高频应用需小电阻与前置驱动。
本文介绍MOS管在电池防反接电路中的技术优势,对比传统二极管方案,阐述其低压降、低功耗及高效开关特性。
推挽电路由N沟道和P沟道MOS管组成,交替导通实现高效功率控制和信号放大,适用于音频、电源等领域。
MOSFET驱动电路需考虑栅极电容,通过高效驱动提升开关速度,降低损耗,保障电路性能。
MOS集成电路中,隔离技术通过增大场氧化层厚度或提高掺杂浓度,防止寄生沟道,提升电路稳定性和性能。
MOS管损坏多因电压应力、热管理不足及开关过程中的高频冲击,需优化选型、驱动及保护措施以提升稳定性。
MOS管替代二极管实现防倒灌,降低压降、提升效率,提升电子系统可靠性。
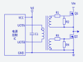
开关电源中,MOS管驱动电路是关键,需考虑隔离、偏置、缓冲等,提升效率与稳定性。
碳化硅MOSFET因高效性能推动功率电子革新,但需精密驱动电路设计以提升开关性能与可靠性。
文章介绍了基于MOS管的15分钟精确延时电路设计,强调RC网络、元件选择及多级级联方案,实现稳定可靠的延时功能。
二维码扫一扫
诺芯盛备案号:粤ICP备2022029173号-4 热销型号:ASDM30C16E-R ASDM3010S-R APM20G02LI AGM311MN
